|
トップ 新着情報
|
チームについて
|
レース結果
|
製作記録レースレポート
|
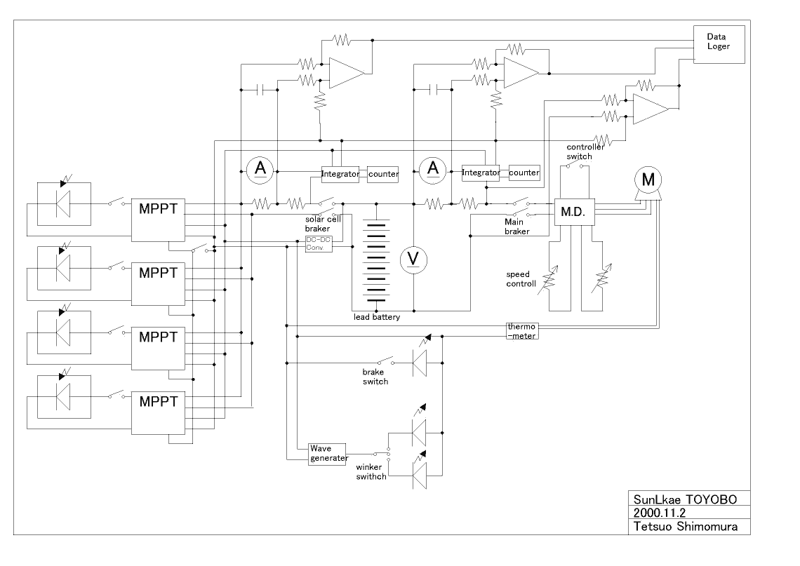
サンレイクの構造
|
サンレイクの構造 電装系%概略図 へ戻る
サンレイクの構造 電装系%概略図 へ戻る
|トップ 新着情報 |チームについて|レース結果|製作記録レースレポート|サンレイクの構造|